Иллюстрации за авторством Эрнста Геккеля, открывшего 120 видов радиолярий и отметившегося в целом ряде областей биологии и медицины.
Радиолярии, они же лучевики, — это целая группа одноклеточных организмов, обитающих во всех уголках Мирового Океана. Мы не в состоянии подсчитать даже примерное количество видов. Виной тому их размеры: самые большие животины достигают 0,3 мм в длину, самые мелкие — 0,0001мм!
Радиолярии-зомби взбираются на остриё иглы! Зомби-апокалипсис микромира удивителен!
Эти одноклеточные относятся к амебоидным организмам — их оболочка постоянно колеблется и изменяет свои очертания. Но это не значит, что они родственны настоящим амёбам. Аморфная форма тела самостоятельно развивалась у абсолютно неродственных организмов не раз и не два. Я вам больше скажу, радиолярии не родственники даже самим себе! Такая форма тела возникла сразу в нескольких группах одноклеточных.
Говорят, что каждая снежинка уникальная. Каждая биологическая снежинка — тоже!
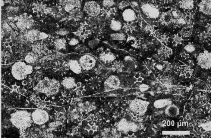
Мы не знаем, откуда радиолярии взялись, но они существуют не меньше 500 миллионов лет. И за это время успели легендарно наследить в истории Земли. Вы слышали про мел, известняк и радиолярит? Это их псевдоподий дело! А ещё они вложились в кремень, трепел и несколько других пород. Все они полностью или частично состоят из скелета крохотных одноклеточных. Десятки миллионов тонн их останков хранятся на планете и по сей день.
Под микроскопом радиолярит выглядит вот так.
Причина такой прочности — ответственный подход к созданию внутренней брони. Лучевики окружают себя скелетом. Материалы для него они добывают из элементов морской воды: кальция, кремния, стронция. Немного биохимической магии, и они превращаются в опал, кремнезём и целестин — крепкие и устойчивые минералы.
Ты же моя драгоценность!
Затем животина выращивает минеральный скелет внутри себя, придавая ему замысловатую форму. Разновидностей внутреннего каркаса — устанешь считать. Нет, серьёзно, люди узнали о радиоляриях больше 150 лет назад, но до сих пор не смогли систематизировать всё разнообразие и сложность форм этих микроживотных. И всё же, кое-что общее у них есть, большинство скелетиков состоит из ажурной капсулы и торчащих во все стороны лучей.
Найдёшь хотя бы парочку одинаковых?
Капсула — это панцирь, защищающий все жизненно важные части организма: ядро, в котором находится до 1600 хромосом (у человека 46), молекулярные фабрики по производству белков и приличные запасы жира. Для лучевиков жир — это не только запас питательных веществ на чёрный день, но и способ уменьшить плотность тела. Тяжёлая броня тянет клетку вниз, а жир выталкивает на поверхность. 1:1.
Тёмные пятна на центральной фотографии – те самые капельки жира
Снаружи капсула покрыта тонким слоем цитоплазмы, внутриклеточной жидкости, и тонкой, но гибкой и прочной клеточной оболочкой. А лучи-иглы являются каркасом для ложноножек, которые вылавливают из морской воды органические вещества и отправляют их в центр, на переработку. Для совсем уж мелких организмов, радиолярия — опасная морская мина, к которой лучше не приближаться.
Лежит в поисках обеда.
Впрочем, питаться одной лишь органической взвесью необязательно. Многие радиолярии заключают союз с хлореллами и зооксантеллами, маленькими одноклеточными водорослями. Те снабжают своих хозяев сахарами, а сами получают относительную безопасность. Хищник не съест тебя, если ты уже внутри него.
Какой-то странный у вас виноград...
Но обилие симбионтов и внутренний скелет усложняют размножение. При бесполом размножении клетка делится на две половины и пытается разделить по полам все свои внутренности. А делить крепко спаянный минеральный скелет пополам — задача не из простых. Есть и альтернативный вариант, половое размножение. Радиолярия превращается в 4 гаметы (читай, половые клетки, у них нет разделения на сперматозоиды и яйцеклетки), каждая из которых имеет по жгутику. Если две гаметы встретятся, маленькая радиолярия начнёт свой жизненный путь и возьмётся за строительство нового скелета.








