За всю историю человечества людей всегда больше всего интересовало два две: наука и тело человека. Так почему бы не объединить эти две вещи в одну? Мы уже привыкли к себе благодаря отражению в зеркале и селфи, но думаем вы никогда не рассматривали собственное тело под микроскопом, и сегодня у вас появится такая возможность.
Конечно это не ваше тело, а тело другого человека, но сути это не меняет. Далее вас ждут инопланетные пейзажи многократно увеличенных под микроскопом частей человеческого тела, об удивительности которых вы даже не догадывались.
Язык
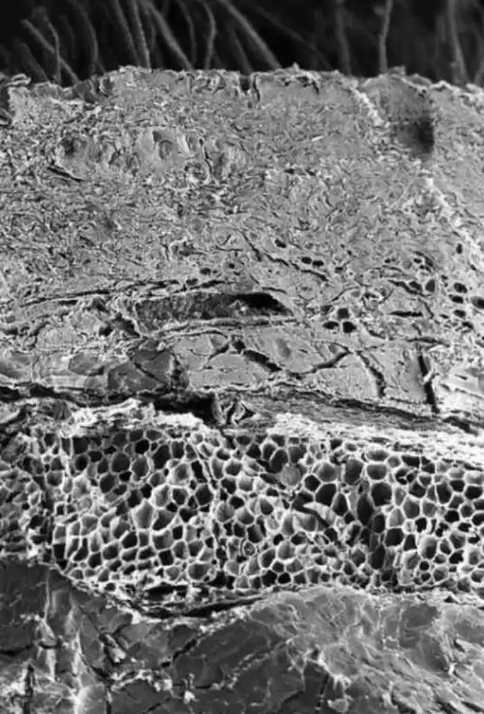
Кость

Тонкая кишка

Сердце (коронарная артерия)

Кожа

Глаза (сетчатка)

Здоровые легкие

Рак лёгких

Кровь

Овуляция

Волос

Клетки Пуркинье
Крупные нервные клетки коры мозжечка.

Зуб

Зубной налёт

Кристаллы инсулина

Ноготь
