Жизнь и смерть "Галилео"
Космический долгожитель АМС "Galileo" начал свое путешествие в октябре 1989 г., покинув на околоземной орбите грузовой отсек КК "Атлантис" (STS-34). За 14 лет полета внутри Солнечной системы общая протяженность сложного пути "Галилео" составила 4 631 778 000 км. Аппарат посетил окрестности Луны и Венеры, впервые получил изображения астероидов с близкого расстояния. Почти достигнув Юпитера - главной цели своей миссии, "Галилео" успел зафиксировать уникальнейшее астрономическое явление - вход в атмосферу этой планеты фрагментов кометы Шумейкеров - Леви 9. Спускаемый аппарат "Галилео" впервые проник под облачный слой Юпитера и передал на Землю сведения о параметрах его атмосферы. "Галилео" многократно приближался к ее спутникам и получил уникальную информацию об их природе. Сделав 35 оборотов вокруг Юпитера, 21 сентября 2003 г. космический аппарат завершил программу в его загадочных глубинах, в последний раз передав уникальные данные о самой крупной планете Солнечной системы.
ИЗ КОСМИЧЕСКОЙ ПРАЩИ…
Во время пролета около Юпитера АМС "Вояджер-1 и -2" полученные данные оказались настолько интересными, что весьма заманчивой стала идея создания и запуска в систему Юпитера специального аппарата, предназначенного для более подробных, а главное, длительных исследований планеты-гиганта и галилеевых спутников. Как известно, четыре самых крупных спутника Юпитера замечены Галилео Галилеем. Имя великого ученого получил и космический аппарат, призванный продолжить их изучение.
Рис. 1 - АМС "Галилео" (стартовая масса 2223 кг, длина 5.3 м). К основному блоку (орбитальному отсеку станции) в виде плоского многогранника крепилась сверху остронаправленная радиоантенна диаметром 4.8 м, а снизу - спускаемый аппарат. На орбитальном модуле установлено 11 научных приборов массой 103 кг, спускаемый аппарат оснащен 7 приборами. Магнитометры укреплены на штанге длиной 11 м, чтобы предохранить их от влияния многочисленных электронных устройств КА. Рисунок JPL/NASA. |
Однако начало оказалось нелегким. Схему выведения "Галилео" на траекторию полета к Юпитеру пришлось изменить. Согласно принятому плану, оснащенный разгонным блоком КА поместили в грузовой отсек "Атлантиса", откуда он и стартовал к цели своего полета. Но после трагедии "Челенджера" (Земля и Вселенная, 1986, № 3) NASA не решилось запускать очередной "Спейс Шаттл" со столь опасным грузом, как разгонный блок "Галилео", имеющий значительное количество жидкого ракетного топлива. После изучения многих вариантов была принята схема "космической пращи" - пертурбационные маневры около планет. АМС оснащалась только малым твердотопливным двигателем для выполнения пролетов, и первый шаг она сделала не к Юпитеру, а в другую сторону - к Венере. По баллистическим расчетам, пролет мимо соседней планеты придавал "Галилео" дополнительное ускорение. И еще дважды маневр предполагалось повторить перед тем, как "космическая праща" раскрутила аппарат до скорости, необходимой для полета к Юпитеру.
Рис. 2а - Межпланетная станция "Галилео" в монтажно-испытательном корпусе Лаборатории реактивного движения (JPL, Пасадена, США). На испытательном стенде установлен основной блок (орбитальный модуль), к нему впоследствии присоединят антенный модуль и спускаемый аппарат. Апрель 1988 г. Фото В.В. Шевченко. |
Рис. 2в - Межпланетная станция "Галилео" на стадии предполетного тестирования. Фото JPL/NASA. |
Рис. 2в - Вывод АМС "Галилео" шатлом "Атлантис" 18 октября 1989 г. Фото JPL/NASA. |
Аппарат вышел на околоземную орбиту, покинув грузовой отсек КК "Атлантис" 18 октября 1989 г. Пролетев 10 февраля 1990 г. на расстоянии 16138 км вблизи Венеры (Земля и Вселенная, 1990, № 4), "Галилео" вернулся к Земле и в декабре того же года опять направился к Венере. Последний, третий, виток "пращи" завершился в начале декабря 1992 г. около Земли, когда аппарат, набрав необходимую скорость - 39 км/с, устремился к Юпитеру.
Конечно, многократные гравитационные маневры увеличили время перелета "Галилео" к конечной цели путешествия, но они были необходимы. Во время сближения с Землей и Венерой "Галилео" передал их многочисленные снимки, а при пролете около Луны - впервые получил ее глобальные спектральные изображения. 29 октября 1991 г. и 27 августа 1993 г. при пролете сделаны первые снимки астероидов Гаспра (с расстояния 1601 км) и Ида (около 10500 км). Эти малые планеты (Гаспра - 20 ? 12 ? 11 км, Ида - длина 55 км и поперечник от 20 до 24 км) покрыты типичным для лишенных атмосферы тел чехлом из раздробленных пород - реголитом и многочисленными ударными кратерами. Однако исследователей ждал сюрприз: выяснилось, что у Иды есть спутник поперечником около 1.5 км. При ближайшем рассмотрении на поверхности этого крошечного спутника, Дактиля, удалось различить кратеры.
Рис. 3а - Расчетная схема путешествия "Галилео" по Солнечной системе. |
Рис. 3б - Астероид 243 Ида и его спутник Дактиль (светлая точка справа от астероида). Снимок получен с расстояния около 10500 км 27 августа 1993 г. за 14 мин до наибольшего сближения "Галилео" с малой планетой. Фото JPL/NASA. |
Рис. 3в - Астероид Гаспра. Снимок получен с расстояния с расстояния 1601 км. Фото JPL/NASA. |
Примерно через год научную группу проекта ждала еще одна неожиданность. Открытая незадолго перед этим комета Шумейкеров - Леви 9 из семейства Юпитера, в результате многих сближений с планетой распалась на части и в конце концов должна была упасть на нее в июле 1994 г. Комета приближалась к Юпитеру с невидимой на Земле стороны, так что было невозможно наблюдать столкновение ее фрагментов с планетой-гигантом. Место падения и последствия удара становились видимыми только немного позже, когда в процессе вращения Юпитер поворачивался к земному наблюдателю этой областью. Но "Галилео" летел к Юпитеру в другом направлении, поэтому его камерам стало доступно полушарие, где падали фрагменты кометы.
Рис. 4 - Падение фрагмента (W) распавшегося ядра кометы Шумейкеров - Леви 9, сопровождаемое световой вспышкой. Фрагмент упал на ночную сторону Юпитера около терминатора в расчетной точке: 43°ю.ш. и 80°з.д. Снимок сделан АМС "Галилео" 22 июля 1994 г. Фото JPL/NASA. |
Перепрограммировав бортовой научный комплекс, руководители полета получили возможность наблюдать то, что кроме камер АМС не мог видеть никто - момент столкновения каждого из осколков ее распавшегося ядра с Юпитером! Переданные "Галилео" изображения этого редкого астрономического явления значительно расширили наши представления о кометах и катастрофических процессах в Солнечной системе.
С ПАРАШЮТОМ - НА ЮПИТЕР
Через год, 13 июля 1995 г., начался основной и завершающий этап экспедиции "Галилео" - космический аппарат готовился к исследованиям системы планеты-гиганта. В этот день от основного модуля отделился спускаемый аппарат и пустился в автономный полет - пятимесячное свободное "падение" на Юпитер. Спускаемый аппарат диаметром 1.2 м и массой 339 кг не снабдили корректирующими двигателями, поэтому спуск происходил по баллистической траектории. На его борту размещались семь приборов массой 28 кг для получения сведений о температуре, давлении и составе атмосферы, облачном покрове и поясах радиации, которые спускаемому аппарату предстояло пройти, прежде чем погрузиться в глубины газовой планеты. Передача данных на приемную аппаратуру основного модуля (орбитального отсека) проводилась с помощью комплекса связи. Скорость аппарата при входе в атмосферу Юпитера составляла 47.6 км/с. На первом этапе торможение обеспечивал аэродинамический защитный конус-экран, а затем - парашют диаметром 2.5 м, который раскрывался после проникновения под слой плотных облаков. Это произошло на глубине 18 км от условного поверхностного уровня атмосферы. Спускаемый аппарат 7 декабря 1995 г. в течение 59 мин передавал информацию до глубины около 200 км, где, по-видимому, испарился из-за высокой температуры. Сигналы от спускаемого аппарата прекратились на глубине примерно 150 км, где давление составляло 22 бара, а температура превысила +150о С. За время спуска на борт основного модуля было передано около 3.5 Мбайта данных.
Рис. 5 - Вид экваториальной "горячей точки" Юпитера с повышенной температурой и сухой атмосферой. Верхнее изображение "Галилео" - фрагмент облачности Юпитера в воспринимаемых человеком цветах. Искусственные цвета нижнего снимка подчеркивают многослойность облачной структуры. Темно-голубой цвет указывает на глубокую "дыру" в атмосфере, уходящую в зону повышенной температуры. В подобную "дыру" попал спускаемый аппарат "Галилео". Размеры фрагмента достигают 34 тыс. км на 11 тыс. км. Фото JPL/NASA. |
Рис. 6 - Большое Красное Пятно - наиболее заметная деталь на фоне облачного слоя Юпитера. Мозаика составлена из 18 изображений, переданных "Галилео": по 6 снимков, полученных через три разных фильтра в течение одного сеанса 26 июня 1996 г. Условные цвета соответствуют уровню впадин газовых составляющих постоянно вращающегося гигантского смерча. Самые глубокие слои облаков показаны синим цветом, розовые структуры располагаются выше, белые области соответствуют самому высокому тонкому облачному слою. Фото JPL/NASA (обработка Корнельского университета). |
Оказалось, что верхние слои атмосферы Юпитера содержат меньше водяных паров, чем ожидалось. Только позже, сопоставив температурно-влажностные и другие данные, специалисты пришли к выводу, что место падения спускаемого аппарата не типично и его можно отнести к "горячим точкам" Юпитера из-за повышенной температуры и малого содержания водяных паров. Сильные атмосферные течения и турбуленция, вспышки молний на трассе спуска дополнили картину. Хотя по частоте возникновения молнии в облачном слое Юпитера более редки, чем на Земле, разряды по мощности примерно в 1000 раз сильнее земных. Приборы обнаружили облака, содержащие аммоний; как предполагают, они сформировались в более глубоких слоях атмосферы. Химический состав исследованной части атмосферы Юпитера не соответствует в точности химическому составу Солнца, что, вероятно, указывает на существование особых процессов, сопровождавших его эволюцию.
Через час после прекращения связи со спускаемым аппаратом провели первое включение корректирующего двигателя основного модуля "Галилео", и он вышел на орбиту вокруг Юпитера. Так вдобавок к более чем 60 естественным спутникам планета-гигант обрела первый искусственный спутник. "Галилео" приступил к систематическим исследованиям Юпитера и его спутников, растянувшимся на несколько лет.
САМЫЙ БЕСПОКОЙНЫЙ СПУТНИК
Открытие действующих вулканов на Ио в 1979 г. было несомненной сенсацией. Спустя почти четверть века это явление по-прежнему остается уникальным. И теперь, когда наши знания о природе тел Солнечной системы значительно расширились, Ио считается объектом, обладающим наибольшей внутренней активностью. Полагают, что гравитационные силы, приводящие к возникновению приливной волны в твердом теле спутника, достигающей 100 м, энергетический источник, поддерживающий постоянный разогрев недр сравнительно небольшого тела. Первая встреча "Галилео" с Ио состоялась почти сразу же после его прибытия в систему Юпитера: 7 декабря 1995 г. пролетел на расстоянии около 900 км. Впоследствии "Галилео" еще 7 раз сближался с Ио в 1999 - 2002 гг. Изображения поверхности спутника показали, что существуют слишком активные области, вулканические выбросы из которых практически не прекращались 18 лет с тех пор, как их заметили на снимках, сделанных "Вояджерами". Вместе с тем некоторые из эруптивных центров отмечены впервые, а значит являлись молодыми центрами вулканической активности.
![]() | |
|
Тепловые измерения, проведенные бортовыми датчиками "Галилео", показали, что температура некоторых активных областей Ио даже более высокая, чем у действующих вулканов на Земле. По-видимому, выступающая из глубинных резервуаров спутника по трещинам вулканическая лава содержит силикаты с повышенным содержанием магния. Как и раньше, на снимках, полученных с борта "Галилео", наблюдались потоки расплавленной серы, а цветовая окраска этих образований указывала на разные температуры пород при выходе на поверхность.
![]() |
Рис. 8 - Два снимка Ио с происходящими там извержениями вулканов. На левом изображении зафиксирован момент выхода на поверхность Ио раскаленной лавы - яркая желто-красная полоса вдоль трещины (единица измерения 50 км). Снимок получен "Галилео" 22 февраля 2000 г. Для представления о динамике вулканического процесса, на правом приводится мозаика снимков той же области, снятая камерами аппарата 26 ноября 1999 г. Фото JPL/NASA. |
По относительной распространенности вулканизм на Ио примерно в 100 раз превышает современный вулканизм Земли. Изображения, переданные "Галилео", продемонстрировали глобальные изменения вида поверхности за сравнительно небольшие сроки. Например, было замечено, что всего лишь за четыре месяца площадь около 300 тыс. км2, сравнимая с размерами штата Аризона в США, полностью покрылась выбросами из ближайшего вулкана. Состав и свойства горячих лав Ио могут быть сходны с продуктами вулканизма, существовавшего на Земле более 3 млрд. лет назад.
Исследования, проведенные с помощью приборов, установленных на "Галилео", подтвердили и дополнили модель, описывающую характер плазменного окружения Ио. Кроме известной структуры - плазменного тора, повторяющего форму орбиты спутника, обнаружены "магнитные трубы", внутри которых плазма с низкой плотностью переносится на большие расстояния от Юпитера. Следует упомянуть и о потоках заряженных частиц, которые движутся вдоль силовых линий, связывающих Ио с областями заряженных частиц в атмосфере Юпитера. Сложная как геометрически, так и физически, картина еще не полностью нашла объяснение. Но данные "Галилео" существенно приблизили исследователей к решению загадок Ио.
ОКЕАН НА ЕВРОПЕ?
Первое свидание "Галилео" с Европой состоялось на его четвертом витке вокруг Юпитера 19 декабря 1996 г. Аппарат приблизился к спутнику на 692 км. Согласно расписанию миссии, "годом Европы" стал 1998 г. Начиная с ноября 1997 г. (11-й виток) и по февраль 1999 г. (19-й виток) обращение "Галилео" вокруг Юпитера организовали таким образом, что на каждой из орбит (кроме 13-й) происходило сближение с Европой.
До "Галилео" основные сведения о Европе сводились к тому, что это спутник преимущественно ледяного состава с необычно гладкой поверхностью, разрезанной сетью тонких трещин. Снимки с высоким разрешением, полученные в течение "года Европы", коренным образом изменили представление о характере его поверхности и природе. Отколовшиеся льдины размером с город дрейфовали в открытой воде вроде огромных айсбергов полярных морей Земли. Когда лагуны замерзали, начинали образовываться торосы. Множество наползавших друг на друга ледяных полей раскрывают историю появления огромных структур. Вырвавшаяся на поверхность вода замерзала в виде абсолютно гладких, как каток, ледяных полей, которые особенно выделяются среди громоздящихся друг на друга растрескавшихся льдин. Эти феерические картины дополняются куполами всплывавшего над поверхностью материала с более высокой температурой.
![]() |
Рис. 9 - Комбинированный снимок поверхности Европы. Небольшой участок ледяной коры показан в увеличенном виде на врезке (масштабная единица 50 км). Видны ледяные поля, дрейфующие по поверхности подледного океана, глубина которого, возможно, более 100 км. Фото JPL/NASA. |
На изображениях Европы заметны отдельные области, выглядящие как отложения испарившегося солевого раствора. При больших, чем на Земле, запасах воды, на ней, по-видимому, существует огромный соленый океан под ледяной растрескавшейся и замерзшей поверхностью. Судя по некоторым морфологическим образованиям на поверхности спутника, можно предположить, что в отдельных районах хрупкий слой литосферы не превышает всего лишь 2 км. С другой стороны, выделяемое за счет приливного механизма тепло недостаточно для разогрева существующей массы льда. Зарегистрированные поля температурных аномалий - вероятно, выходы потоков внутренней тепловой энергии. Поэтому некоторые специалисты предлагают модель конвективного выноса тепла из разогретых недр Европы. Но в этом случае конвективная зона должна быть довольно значительной по толщине. Расчеты приводят к заключению, что под сравнительно тонкой литосферой возможно находится океан жидкой воды глубиной от нескольких до десятков километров. Ломка и торошение поверхностных льдов, вероятно, продолжаются и в настоящее время. На относительную молодость поверхностных образований Европы указывает практически полное отсутствие ударных кратеров. Согласно оценкам, поверхность Европы молодая - не более 10 млн. лет.
Следует также отметить, что "Галилео" обнаружил у Европы тонкую газовую оболочку кислородного состава, скорее не атмосферу, а экзосферу, то есть область над поверхностью с ионами и частицами нейтральных газов свободно диссипирующих в открытый космос (Земля и Вселенная, 1999, № 3).
Открытия, указывающие на существование глобального океана Европы, вызвали новые споры о признаках жизни (Земля и Вселенная, 1998, №№ 1, 5). Поскольку, как известно, жидкая вода - ключевая составляющая в комбинации условий, при которых возможно зарождение и развитие живых организмов, не исключено, что в ближайшем будущем наиболее активные поиски неведомых нам организмов переместятся с Марса на этот спутник Юпитера.
ДИНАМО-МАШИНА НА ГАНИМЕДЕ?
Как известно, Ганимед - самый крупный спутник в Солнечной системе, по размерам превосходящий даже Меркурий. Вместе с тем его средняя плотность (около 2 г/см3) указывает на большую долю ледяной составляющей, чем у Европы, средняя плотность которой - 3 г/см3.
Первое знакомство "Галилео" с Ганимедом состоялось уже на первом витке, 26 июня 1996 г., на расстоянии 835 км от Ганимеда. На втором витке, 6 сентября того же года, "Галилео" опять приблизился к самому крупному спутнику Юпитера. На этот раз их разделяло расстояние всего 261 км. Следующий сеанс исследований состоялся в апреле и мае 1997 г. Затем последовал довольно длительный перерыв, и только 20 мая 2000 г., на 28 витке вокруг Юпитера, "Галилео" снова оказался поблизости от Ганимеда. Наконец, последнее сближение произошло 29 декабря 2000 г. (29-й виток), уже на значительном расстоянии - 2338 км, лишь немногим меньше радиуса спутника.
![]() |
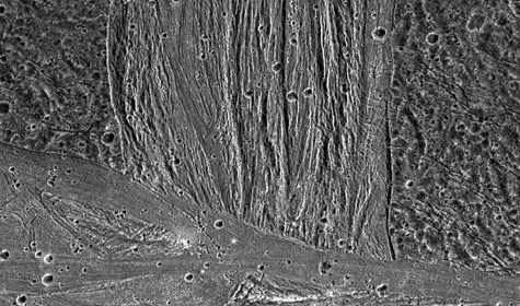
Рис. 10 - Участок поверхности Ганимеда (950x560 км). Здесь можно выделить три типа поверхности, относящиеся к разным эпохам тектонических преобразований. В нижней части просматривается наиболее молодой грунт. Вертикально ориентированный поток относится, по-видимому, к среднему возрасту пород данной местности. Справа и слева от него - наиболее древняя материя с большей плотностью ударных кратеров. Изображение получено "Галилео" 7 мая 1997 г. Фото JPL/NASA (обработка Университета Брауна). |
Хотя в изрезанной трещинами и вздыбленными грядами поверхности Ганимеда можно найти некоторое сходство с морфологией Европы, обращает на себя внимание главное отличие - масштаб отдельных структур. Если на Европе торосистый ландшафт формировался относительно небольшими блоками, то структура льда Ганимеда явно образована крупными тектоническими подвижками. Следы региональных процессов на Европе отличаются от динамики формирования поверхности на Ганимеде, принявшего глобальные масштабы - движением льдов охвачены целые полушари.
Современные знания об эволюции планетных тел указывают на то, что процессы тектонических преобразований планет или крупных спутников - следствие перестройки их недр. В результате общего плавления происходит дифференциация внутренних слоев, вследствие которой образуются внешняя кора из легкого материала, промежуточные горизонты мантии из тяжелых пород и плотное металлическое ядро. Более поздние глубинные процессы на границе мантии и коры вызывают глобальные изменения в строении поверхности. Так устроены все планеты земного типа.
В чем же заключается природа тектонических структур Ганимеда? Какие этапы его эволюции кроются за причудливым рисунком трещин и борозд, пересекающих значительные области поверхности гигантского спутника?
Вероятный ответ пришел с борта "Галилео" вместе с данными об открытии магнитного поля у Ганимеда, природа которого похожа на природу магнитного поля Земля. Находясь в пределах действия мощнейшего магнитного поля Юпитера, все четыре галилеевых спутника в той или иной степени испытывают его влияние. На них могут возникать вторичные магнитные поля, индуцированные полем планеты-гиганта. Но приборам "Галилео" удалось выделить собственную магнитосферу Ганимеда. Оказалось даже, что он обладает собственным миниатюрным радиационным поясом, похожим на структуру земного магнитного поля.
![]() |
Рис. 11 - Свидетельством неоднократного падения малых тел, изменивших орбиту Ганимеда, служит изображение "Галилео" со следами сравнительно недавнего падения кометы на его поверхность. Ядро этой кометы могло разрушиться на отдельные фрагменты при близком прохождении около Юпитера, подобно комете Шумейкеров - Леви 9, и 13 наиболее крупных осколков при падении на Ганимед образовали цепочку кратеров. Фото JPL/NASA (обработка Университета Брауна). |
Предположительно в прошлом Ганимед претерпел незначительные изменения своей орбиты, достаточные для возникновения приливных деформаций спутника с последующим расплавом недр. В образовавшемся расплаве произошла дифференциация вещества, сопровождаемая выделением жидкого металлического ядра, по-видимому, генерирующего магнитное поле спутника. А другим следствием такой эволюции стали глубинные тектонические процессы, породившие формы наблюдаемого сегодня рельефа поверхности. Средний возраст поверхности в отдельных районах спутника может быть очень древним и достигать миллиардов лет.
ЕЩЕ ОДИН ОКЕАН?
Первое посещение окрестностей Каллисто произошло 4 ноября 1996 г. на третьем витке "Галилео" вокруг Юпитера. 20 июля (на расстоянии 418 км) и 15 октября 1997 г. (535 км) АМС сближалась с Каллисто дважды - на 9-м и 10-м витках орбиты. Продолжительный сеанс исследований Каллисто проведен с мая по сентябрь 1999 г., когда "Галилео" четыре раза подходил к спутнику на расстояния от 1000 до 2000 км (20 - 23-й витки). В последний раз он пролетел в 123 км от спутника 25 мая 2001 г. (30-й виток).
![]() |
Рис. 12 - Участок поверхности Каллисто площадью около 900 км2, мозаика из двух снимков, полученных "Галилео" 4 ноября 1996 г. Обратите внимание на светлую "бахрому" пород на гребнях причудливого вида образований, похожую на хлопья снега. Фото JPL/NASA (обработка Университета Брауна). |
По размерам и средней плотности Каллисто почти не отличается от Ганимеда. Большую часть массы спутника (до 60%) составляет водяной лед. Поверхность Каллисто покрыта многочисленными ударными кратерами, что свидетельствует о ее древности - средний возраст около 3.5 млрд. лет. Эта особенность четвертого крупного спутника первоначально приводила исследователей к выводу о твердой литосфере, достигающей практически центра ледяной сферы. Сомнения начались после первых исследований "Галилео"; изображения, полученные с лучшим разрешением, чем раньше, подтверждали это, добавляя лишь некоторые детали. Например, многие особенности рельефа говорили об интенсивном сглаживании валов кратеров, гребней и краев борозд или трещин. Наиболее вероятной причиной подобных изменений могла быть сублимация летучих элементов с поверхности льда. В результате такого процесса на кромках деталей рельефа осталась живописная "бахрома" более светлой окраски, похожей на свежевыпавший снег.
Идиллические картины внешнего спокойствия нарушили результаты магнитометрических измерений, проведенных "Галилео". Обнаружено, что Каллисто активно реагирует на магнитное поле Юпитера. Процессы в магнитосфере Ганимеда отличаются: электрические токи в поле Каллисто иногда текли в противоположном направлении. Дальнейшее изучение этого явления показало строгую синхронизацию эффектов в поле Каллисто с вращением Юпитера. Поскольку недра Каллисто, по-видимому, не генерировали собственного поля, встал вопрос о проводящей среде для токов, наведенных полем Юпитера. С учетом опыта исследований других крупных спутников ответ напрашивался сам собой: под толщей ледяной литосферы может находиться океан соленой воды, служащей хорошим проводником для обнаруженных токов наведенного поля.
Следует отметить и еще одну вероятную особенность появления океана в недрах Каллисто. Каллисто находится в почти 2 млн. км от Юпитера и не испытывает значительных деформаций в результате воздействия приливных сил, как, например, Европа. Поэтому, вероятным энергетическим источником разогрева недр можно считать распад радиоактивных элементов в ядре спутника.
ТОЧНО РАССЧИТАННАЯ ГИБЕЛЬ АМС
Первоначально продолжительность активной части проекта "Галилео" ограничивалась двумя годами работы аппарата в системе Юпитера, то есть декабрем 1997 г. Однако, несмотря на трудности с нераскрывшейся до конца остронаправленной антенной и мелкие помехи при выполнении отдельных экспериментов, КА работал весьма успешно, поставляя большой объем высококачественной информации. В результате руководители проекта еще трижды ставили дополнительные задачи перед "Галилео", с которыми он успешно справился. Наиболее значительной дополнительной программой стало почти двухгодичное исследование Европы, позволившее открыть океан под ледяной коркой. Этот период в работе "Галилео" назван "Миссия к Европе".
Второй дополнительный период работы "Галилео", "Миссия Тысячелетия", начавшийся в 2000 г., вместил новые исследования Юпитера и его спутников. В декабре 2000 г. выполнены уникальные одновременные исследования с борта двух АМС - "Галилео" и "Кассини", пролетавших около Юпитера. Скоординированные наблюдения с борта обеих космических станций позволили получить такие данные о магнитосфере Юпитера, которые было бы невозможно собрать с помощью только одного аппарата из-за ее громадной протяженности.
![]() |
Рис. 13 - Два крупномасштабных изображения облачного слоя Юпитера в окрестностях Большого Красного Пятна получены "Галилео" с интервалом 70 мин. Стрелками показаны возникшие и рассеявшиеся за это время облака белого цвета, возможно, состоящие из водяных паров. Размеры самых мелких образований достигают нескольких десятков километров. Фото JPL/NASA (обработка Калифорнийского технологического университета). |
В ноябре 2002 г. на 34-м витке "Галилео" приблизился на минимальное расстояние к Юпитеру, пролетел мимо ближайшего к планете маленького спутника Амальтея и получил сведения о внутренних областях магнитосферы и радиационных поясах планеты. В частности, звездный сканер навигационной системы зарегистрировал световые вспышки - это следы многочисленных осколков твердого вещества, вращающихся вокруг Юпитера в зоне орбиты Амальтеи. Этим "нырком" аппарат начал выполнение третьей дополнительной программы полета - завершающего входа в атмосферу Юпитера. Аппарат, входивший в атмосферу планеты со скоростью 48.2 км/с, не имевший никакой теплозащиты и устройств торможения, должен был сгореть при погружении. Смысл падения АМС на планету заключался в нескольких часах ее постепенного схода с орбиты на 35-м (последнем) витке. За это время "Галилео" еще раз обследовал ближайшие окрестности планеты.
В часы, предшествующие падению аппарата в атмосферу Юпитера, начался последний сеанс передачи данных с "Галилео", который с этого момента шел в режиме реального времени. Аппарат тогда находился на расстоянии 965 тыс. км от Юпитера. 8 ч спустя он пересек орбиту Ио, затем на расстоянии 143 тыс. км от верхнего слоя облаков его магнитометры "зашкалило". При столь близком расстоянии от планеты напряженность магнитного поля Юпитера настолько высока, что уже не поддавалось регистрации приборами аппарата. На расстоянии около 57 тыс. км над облачным слоем аппарат пересек орбиты ближайших к Юпитеру крохотных спутников - Адрастеи и Метиса. Чуть позже "Галилео" вошел в тень Юпитера, оказавшись над его ночной стороной, а через минуту он скрылся за лимбом планеты. В этот момент он находился на расстоянии всего 9283 км над слоем облаков. По-видимому, "Галилео" разрушился в атмосфере Юпитера 21 сентября 2003 г. в 18 ч 57 мин по Гринвичу. Последний сигнал от него был получен станцией дальней космической связи в Голдстоуне в 19 ч 43 мин 14 с по Гринвичу. От Юпитера до Земли сигнал шел примерно 52 мин. "Галилео" уже не стало, а на Земле все еще звучал его радиоголос…
Рис. 15 - Вот так по мнениею художника из НАСА выглядела гибель "Галилео". |
ФОТОГРАФИИ СПУТНИКОВ ЮПИТЕРА, ПОЛУЧЕННЫЕ АМС "ГАЛИЛЕО"
Рис. 16 - Калисто. Фото JPL/NASA. |
Рис. 17 - Европа. Фото JPL/NASA. |
|
Рис. 18 - Ганимед.Фото JPL/NASA. |
Рис. 20 - Ио. Фото JPL/NASA. |
При создании статьи использовались материалы следующих сайтов:Все права на фотографии принадлежат их создателям.






