
Наверно у всех еще с детства была мечта иметь свой собственный мощный лазер, способный
прожигать стальные листы, теперь мы можем на шаг приблизиться к мечте! листы стали
резать не будет, а вот пакеты, бумагу, пластмассу легко!
Для нашего лазера нам понадобится во первых сломанный или не очень резак! причем DVD-RW
. чем выше скорость записи DVD-R, тем мощнее там стоит лазер! в 16х приводах стоят
200мВт красные лазеры, а также лазер ИК диапазона, но о нем позже. Разбираем резак,
вытаскиваем оптическую часть.Вот так выглядит эта часть резака:
прожигать стальные листы, теперь мы можем на шаг приблизиться к мечте! листы стали
резать не будет, а вот пакеты, бумагу, пластмассу легко!
Для нашего лазера нам понадобится во первых сломанный или не очень резак! причем DVD-RW
. чем выше скорость записи DVD-R, тем мощнее там стоит лазер! в 16х приводах стоят
200мВт красные лазеры, а также лазер ИК диапазона, но о нем позже. Разбираем резак,
вытаскиваем оптическую часть.Вот так выглядит эта часть резака:

Ценного там только выходная линза и два лазера.
Теперь достаем самое главное!
Теперь достаем самое главное!


А теперь техника безопасности для вас и для лазера!
лазер из DVD-RW относится к классу 3B, а значит опасен для зрения! не направляйте луч в глаза! даже глазом моргнуть не успеете, как потеряете зрение! парнишка на одном форуме засветил себе нечаянно, попал на несколько тысяч уёв. это ему считай повезло. сфокусированным лучом ослепить можно и со ста метров! смотрите куда светите!
Как можно испортить ЛД?
Да очень просто! стоит превысить ток и ему конец! причем доли микросекунд будет достаточно!
именно поэтому ЛД боятся статического электричества. Оберегайте ЛД от него!
на смом деле ЛД не сгорает, просто рушится оптический резонатор внутри и ЛД превращается в
обычный светодиод. резонатор рушится не от тока, а от световой интенсивности, которая в свою
очередь от тока и зависит. Также надо быть внимательным к температуре. при охлаждении лазера
КПД его растет и при том же токе интенсивность возрастает и может разрушить резонатор! Осторожнее!
Еще его легко убить переходными процессами, возникающими при включении и выключении! от
них стоит защититься.
Теперь продолжим разбирать привод))
Д остаем лазер и его радиатор, сразу же припаеваем к его ногам небольшой
неполярный конденсатор на 0,1мкФ и полярный побольше! так мы спасем
его от статики и переходных процессов, которые ЛД очень не любят!
Теперь время подумать о питании нашего лазера.ЛД питается примерно
от 3V и потребляет 200мА. Лазер это не лампочка!! никогда не соединяйте
его напрямую к батарейкам! без ограничительного резистора его убьют и
2 батарейки от лазерной указки!! ЛД нелинейный элемент, поэтому питать его
надо не напряжением, а током! то есть нужны токо ограничивающие элементы.
рассмотрим три схемы питания ЛД от простейшей, к наиболее сложной.
Все схемы питаются от аккумуляторов.
1 вариант
ограничение тока резистором. см рисунок
лазер из DVD-RW относится к классу 3B, а значит опасен для зрения! не направляйте луч в глаза! даже глазом моргнуть не успеете, как потеряете зрение! парнишка на одном форуме засветил себе нечаянно, попал на несколько тысяч уёв. это ему считай повезло. сфокусированным лучом ослепить можно и со ста метров! смотрите куда светите!
Как можно испортить ЛД?
Да очень просто! стоит превысить ток и ему конец! причем доли микросекунд будет достаточно!
именно поэтому ЛД боятся статического электричества. Оберегайте ЛД от него!
на смом деле ЛД не сгорает, просто рушится оптический резонатор внутри и ЛД превращается в
обычный светодиод. резонатор рушится не от тока, а от световой интенсивности, которая в свою
очередь от тока и зависит. Также надо быть внимательным к температуре. при охлаждении лазера
КПД его растет и при том же токе интенсивность возрастает и может разрушить резонатор! Осторожнее!
Еще его легко убить переходными процессами, возникающими при включении и выключении! от
них стоит защититься.
Теперь продолжим разбирать привод))
Д остаем лазер и его радиатор, сразу же припаеваем к его ногам небольшой
неполярный конденсатор на 0,1мкФ и полярный побольше! так мы спасем
его от статики и переходных процессов, которые ЛД очень не любят!
Теперь время подумать о питании нашего лазера.ЛД питается примерно
от 3V и потребляет 200мА. Лазер это не лампочка!! никогда не соединяйте
его напрямую к батарейкам! без ограничительного резистора его убьют и
2 батарейки от лазерной указки!! ЛД нелинейный элемент, поэтому питать его
надо не напряжением, а током! то есть нужны токо ограничивающие элементы.
рассмотрим три схемы питания ЛД от простейшей, к наиболее сложной.
Все схемы питаются от аккумуляторов.
1 вариант
ограничение тока резистором. см рисунок

сопротивление резистора определяется экспериментально, по току через ЛД.
стоит остановиться на 200мА, дальше риск спалить больше.
хотя мой ЛД и на 300мА работал прекрасно. для питания подойдут три любых
аккумулятора на нужную емкость. также удобно использовать аккумулятор от
мобильного телефона(любого).
Достоинства: простая конструкция, высокая надежность.
Недостатки: ток через ЛД постепенно падает. и толком не понятно когда
конструкцию пора подзаряжать. использование трех аккумуляторов усложняет
конструкцию и неудобна зарядка.
Данную схему удобно размещать в китайском фанарике, где стоит батарея из трех ААА(мизинчиковых) батаеек
А вот так он выглядит в сборе:
стоит остановиться на 200мА, дальше риск спалить больше.
хотя мой ЛД и на 300мА работал прекрасно. для питания подойдут три любых
аккумулятора на нужную емкость. также удобно использовать аккумулятор от
мобильного телефона(любого).
Достоинства: простая конструкция, высокая надежность.
Недостатки: ток через ЛД постепенно падает. и толком не понятно когда
конструкцию пора подзаряжать. использование трех аккумуляторов усложняет
конструкцию и неудобна зарядка.
Данную схему удобно размещать в китайском фанарике, где стоит батарея из трех ААА(мизинчиковых) батаеек
А вот так он выглядит в сборе:

Два резистора по 1 Ому последовательно и два конденсатора.
2 вариант
В этой схеме все гораздо сложнее, и она прекрасно подходит для стационарного варианта лазера!
В драйвере используется микросхема LM317, которая включена стабилизатором тока. См рисунок.
2 вариант
В этой схеме все гораздо сложнее, и она прекрасно подходит для стационарного варианта лазера!
В драйвере используется микросхема LM317, которая включена стабилизатором тока. См рисунок.
Драйвер поддерживает постоянный ток через ЛД независимо от питания(не меньше 5В) и температуры.
Советую скачать даташит на эту микросхему и разобраться основательней.
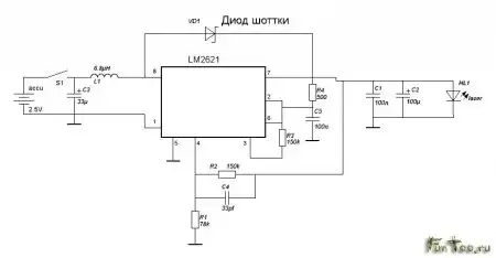
3 вариант
это то, что нужно! питание от двух аккумуляторов, стабильное напряжение(а следовательно и ток) на ЛД,
которое не зависит от уровня зарядки акккумуляторов! Когда аккумуляторы разрядятся, схема выключится
и через ЛД будет идти малый ток (слабое свечение). Наиболее умный и экономичный драйвер! КПД около 90%.
и все это на одной LM2621 в малюсеньком корпусе 3х3мм!! тяжело паять, зато у меня получилась плата 16х17мм! См рисунок
Советую скачать даташит на эту микросхему и разобраться основательней.
3 вариант
это то, что нужно! питание от двух аккумуляторов, стабильное напряжение(а следовательно и ток) на ЛД,
которое не зависит от уровня зарядки акккумуляторов! Когда аккумуляторы разрядятся, схема выключится
и через ЛД будет идти малый ток (слабое свечение). Наиболее умный и экономичный драйвер! КПД около 90%.
и все это на одной LM2621 в малюсеньком корпусе 3х3мм!! тяжело паять, зато у меня получилась плата 16х17мм! См рисунок

дроссель L1 я намотал на шару) микруха умная, сама во всем разберется. я намотал 15 витков
проводом 0.5мм на дросселе от компьютерного БП. внутренний диаметр дросселя 2.5мм,
проницаемость феррита неизвестна. диод шоттки любой 3-х амперный. например
1N5821,30BQ060,31DQ10,MBRS340T3,SB360,S
K34A,SR360.
Резистором R1 настраиваем ток диода. советую при настройке подключить туда переменник на 100к.
Кстати, все испытания желательно проводить на мертвом ЛД! электрические параметры остаются неизменными.
Выбрав для себя подходящую схему, собираем её!
Ну а дальше полет для фантазии!! нужно придумать как закрепить оптику! причем ЛД нужно поставить на радиатор!
при большом токе он очень хорошо греется! так что заранее продумывайте конструкцию.
Теперь насчет оптики.
проводом 0.5мм на дросселе от компьютерного БП. внутренний диаметр дросселя 2.5мм,
проницаемость феррита неизвестна. диод шоттки любой 3-х амперный. например
1N5821,30BQ060,31DQ10,MBRS340T3,SB360,S
K34A,SR360.
Резистором R1 настраиваем ток диода. советую при настройке подключить туда переменник на 100к.
Кстати, все испытания желательно проводить на мертвом ЛД! электрические параметры остаются неизменными.
Выбрав для себя подходящую схему, собираем её!
Ну а дальше полет для фантазии!! нужно придумать как закрепить оптику! причем ЛД нужно поставить на радиатор!
при большом токе он очень хорошо греется! так что заранее продумывайте конструкцию.
Теперь насчет оптики.

удобно использовать лазерную указку как основу для коллиматора. в ней стоит неплохая линза.
но луч получается примерно 5мм диаметром, а это много. лучшие результаты показывает родная оптика (выходная линза)
но с ней свои трудности. фокусное расстояние мало, а значит фокус очень сложно настроить. но в тоже время это позволяет
получить луч диаметром 1мм!! к слову, чем уже луч, тем большая энергия прикладывается к 1мм^2 таким лучом
можно влегкую шинковать черные пакеты)) если же выполнять фокусировку не в луч, а в точку, то в этой точке
плавится пластмасса, режется изолента и многое другое!! кстати спички зажигаются влет!!
вот несколько личных фото.
но луч получается примерно 5мм диаметром, а это много. лучшие результаты показывает родная оптика (выходная линза)
но с ней свои трудности. фокусное расстояние мало, а значит фокус очень сложно настроить. но в тоже время это позволяет
получить луч диаметром 1мм!! к слову, чем уже луч, тем большая энергия прикладывается к 1мм^2 таким лучом
можно влегкую шинковать черные пакеты)) если же выполнять фокусировку не в луч, а в точку, то в этой точке
плавится пластмасса, режется изолента и многое другое!! кстати спички зажигаются влет!!
вот несколько личных фото.


Полностью алюминиевый корпус, никогда не перегревается, отличная фокусировка
линзой от DVD, питание от двух АА аккумуляторов. Плавит пакеты, зажигает спички,
режет изоленту, заставляет тлеть бумагу! И все это без фокусировки в точку!
то есть обычным лучом!
линзой от DVD, питание от двух АА аккумуляторов. Плавит пакеты, зажигает спички,
режет изоленту, заставляет тлеть бумагу! И все это без фокусировки в точку!
то есть обычным лучом!
Будьте осторожны с такой игрушкой,можно повредить зрения направленным лазерным лучом в глаза!!!
ссылка на источник!!!