Инженеры из Колумбийского университета намерены совершить настоящую революцию в фото-и видеосъёмке. Они разработали первую в мире камеру, не требующую внешних источников питания. Камера сама себя питает энергией, которая поступает на светочувствительный сенсор!
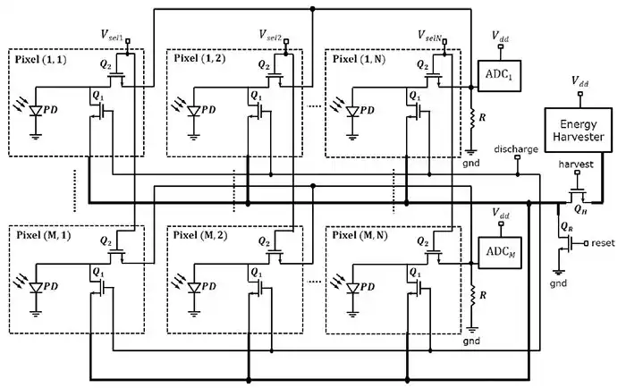
Дизайн простой: каждый фотодиод в сенсоре попеременно работает в двух режимах: сначала записывает количество фотонов, а потом генерирует ток в фотоэлектрическом режиме. Ток стекает в ионистор (суперконденсатор), который питает электронную схему.
В таком режиме камера может работать вечно, при условии освещённости более 300 люкс.
Электрическая схема
Архитектура сенсора
Энергии хватает, чтобы снять изображение с частотой 30 кадров/с и передать его по кабелю на компьютер. В камере пока нет собственного записывающего устройства, но его планируют добавить в будущем.
Первый экспериментальный сенсор имеет низкое разрешение: всего 40х30 пикселов.
Но это уже технические детали. Учёные доказали жизнеспособность концепции и сделали работоспособный прототип. Вероятно, более продвинутый сенсор можно просто составить из большого количества таких модулей — разрешение увеличится чисто механически.
Вот как выглядит видео, сделанное полностью автономной камерой.
[media=http://www.youtube.com/watch?v=A
jhw_Ag4Lqo]
[media=http://www.youtube.com/watch?v=A
jhw_Ag4Lqo]
Сенсор не сможет работать в условиях низкой освещённости, но при увеличении количества света напряжение в цепи резко возрастает. На графике показано напряжение с одного фотодиода.
Исследование финансируется Военно-морским министерством США. Официальная презентация научной работы состоится на Международной конференции по вычислительной фотографии 24-26 апреля в Хьюстоне.
Сейчас в мире около 2 миллиардов цифровых камер и камера-модулей. Но если они станут работать без дополнительного питания, то эту цифру можно смело увеличивать в несколько раз. Полностью автономные камеры найдут применение в носимой электронике, сенсорах и других устройствах. В идеале, гаджеты различной функциональности смогут объединиться в глобальную Сеть, которая не потребует внешнего питания, извлекая всю необходимую энергию из окружающей среды.
Источник: http://habrahabr.ru/

