Она изучила более сотни различных видов слез и обнаружила, что базальные слезы - те, которые человеческое тело производит, чтобы смачивать роговицу и защищать глаза от бактерий и пыли, резко отличаются от тех, которые появляются при резке лука. А слезы, вызванные смехом, сильно отличаются от тех, что вызваны обидой. Каждая слеза несет в себе отпечаток человеческих переживаний.
Фотопроект Роуз-Линн Фишер называется Tear Topography (Топография сллёз). Вот несколько фотографий, демонстрирующих насколько сильно слезы, появившиеся в разных ситуациях, отличаются друг от друга.
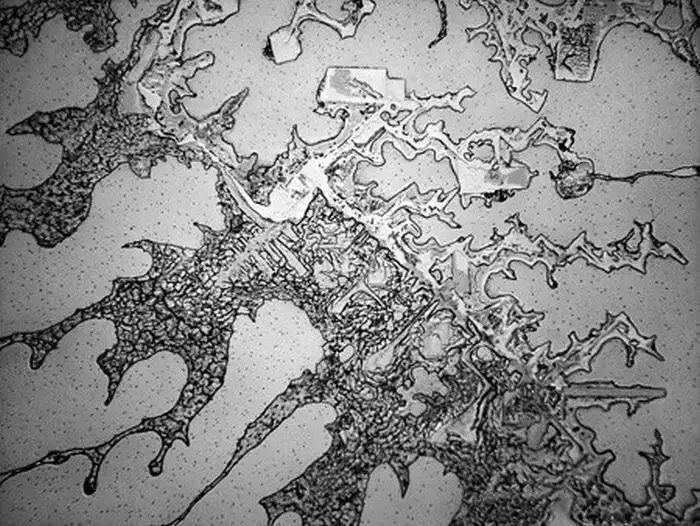
Слеза от «смеха до слёз»
Источник изображения: rose-lynnfisher.com ©Rose-Lynn Fisher
Слёзы скорби и траура

Источник изображения: rose-lynnfisher.com ©Rose-Lynn Fisher
Слёзы от резки лука

Источник изображения: rose-lynnfisher.com ©Rose-Lynn Fisher
Вообще, слёзы разделяют на три основных типа: базальные, рефлекторные и эмоциональные. Все слезы содержат органические вещества, включая масла, антитела и ферменты в суспензии солевого раствора.
Разные виды слез характеризуются разными молекулами. Слезы, вызванные эмоциями, содержат белковый гормон и нейротрансмиттер Лей-энкефалин, естественный анальгетик, высвобождаемый при стрессе. Кроме того, слезы содержат кристаллы соли, которые могут быть совершенно разной формы.
Базальная слеза

Источник изображения: rose-lynnfisher.com ©Rose-Lynn Fisher
Слёзы прощения

Источник изображения: rose-lynnfisher.com ©Rose-Lynn Fisher
Слёзы надежды

Источник изображения: rose-lynnfisher.com ©Rose-Lynn Fisher
Слёзы от ностальгии и воспоминаний

Источник изображения: rose-lynnfisher.com ©Rose-Lynn Fisher

Источник изображения: rose-lynnfisher.com ©Rose-Lynn Fisher
Слёзы прощения

Источник изображения: rose-lynnfisher.com ©Rose-Lynn Fisher
Слёзы надежды

Источник изображения: rose-lynnfisher.com ©Rose-Lynn Fisher
Слёзы от ностальгии и воспоминаний

Источник изображения: rose-lynnfisher.com ©Rose-Lynn Fisher
Как и в случае со снежинками и отпечатками пальцев, вряд ли можно обнаружить две одинаковые слезы. Огромные различия, которые существуют между ними, только подтверждают, что эмоции влияют на наше тело. Мы то, что мы чувствуем ...
