Бровин Владимир Ильич - Циолковский в радиоэлектронике. Его открытие качателя реактивности (качер), в недалёком будущем, произведёт революцию в энергетике, передаче энергии, средствах связи и других областях электроники.
Не имеющий отношения к официальной науке исследователь в домашних условиях открыл излучающие свойства транзисторной или радио/ламповой и индуктивной пары, отличающиеся тем, что объёмный заряд трансформатора сопротивления преобразуется в параметрическую ёмкость, которая заряжает индуктивность, и затем разрывает электрическую цепь, это вызывает коллапс накопленной энергии индуктивности, через её собственное сопротивление и энергия излучается в окружающее пространство в виде наносекундных импульсов следующих с частотами от долей герц до единиц мегагерц. Её можно принять на наружную гальванически несвязанную индуктивность, а с неё энергию можно слить в ёмкость и в результате получить трансформатор постоянного тока, не содержащий железа с КПД 20 - 40%. Излучение обладает свойствами солитона, т.е. энергия взаимодействия между индуктивностями не убывает обратно пропорционально квадрату расстояния между проводниками, а почти линейна с коэффициентом пропорциональности меньше единицы.
Автором разработано много схем, которые могут быть применены в качестве датчиков любых координатных перемещений от микрон до метров, от секунд до сотен градусов.
Гражданин России Бровин В.И.образование высшее - окончил Московский институт электронной техники в 1972 году. Работал в системах Радиопрома, Электронпрома, Авиапрома, Сред-тяжмаша, Газпрома. В 1987 г. обнаружил несоответствия общепринятым знаниям в работе электронной схемы созданного им компаса и стал их изучать. Это он делал на дому на собственных приборах. Через три года у него сформировалось убеждение, что это новое неизвестное физическое явление. Бровин написал об этом в Комитет по изобретениям и открытиям, но ему ответили, что он составил описание не в соответствии с инструкцией. Он не стал с ними спорить и решил изучать это явление сам.
За 10 лет экспериментов и исследований в 1998 г. Бровину удалось объяснить физику странностей в работе схем. Одна из странностей состояла в том, что индуктивности, входящие в состав схемы, передают энергию по линейному закону, вопреки законам Ампера и Био Саввара, предполагающим обратную пропорциональность.
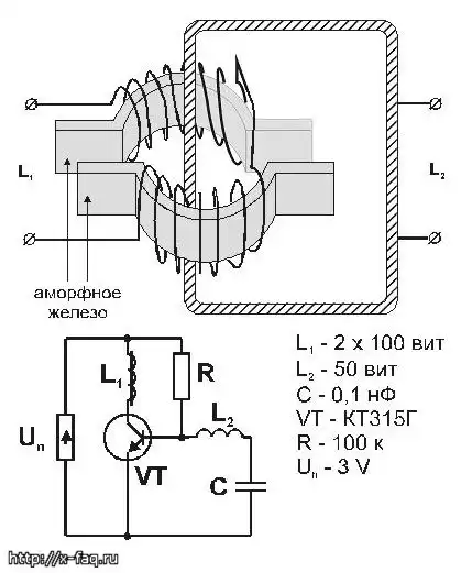
В 1993 г. Бровин на основе открытия сконструировал и запатентовал абсолютный датчик - устройство, преобразующее угол (любой) и расстояние, (от микрон до метров) в электрический сигнал (десятки вольт, или частота следования импульсов) напрямую. Российским Патентным ведомством устройству присвоено имя автора как отличительный признак "Датчик Бровина". Патент № 2075726. Устройство автор назвал Качер (качатель реактивностей).
В 1996 г. датчик применили братья Латыповы для создания костюма, предназначенного для погружения в виртуальную реальность. Компьютерные видеоигры привязаны к клавиатуре-джойстику, костюм позволял совершать реальные движения телом игрока и вызывать соответствующую реакцию компьютера, за этот костюм Латыповы получили золотую медаль на Брюссельской выставке "Эврика", но в последствии от применения датчиков отказались и стали искать иные решения.
В 1998 г. датчик Бровина был применен в МГТУ им Баумана для измерения аномалий гравитации, для авиаразведки полезных ископаемых и оценка его работы была самая положительная.
Примерно в это же время для Завода автотракторного электрооборудования (АТЭ-2) были созданы и изготовлены измерители толщины покрытий металлов на толщины в микроны, и другие измерители на толщины до 16 мм для Газпрома. Их применили, отзывы были положительные, но организовать производство не удалось.
Используя свое открытие, Бровин создал действующие образцы датчиков:
" датчики измерения угла и расстояния;
" феррозонд для измерения магнитного поля Земли (может быть использован как чувствительный элемент для бесконтактного измерения тока в цепи);
" датчик-акселерометр на малые ускорения или частоты колебаний в доли герц;
" устройство для зарядки батареек и аккумуляторов.
В 2000 г. Бровиным разработан новый датчик "реле приближения" - прибор, позволяющий на произвольной металлической или металлизированной электроизолированной поверхности создавать объемный заряд электрического поля. Вхождение извне в это поле инородного предмета вызывает срабатывание реле, находящегося внутри прибора, и таким образом запускается любая информационная цепь (звуковой или световой сигнализатор, радиопередатчик, пейджер, магнитофон, видеокамера и пр.).
В настоящее время Бровин сам организовал фирму по производству и реализации разработанных им изделий.
Область применения устройств, разработанных Бровиным, практически не ограничена. Ниже приведены только некоторые их них:
В области сбережения ресурсов. Все пытаются сделать счетчики на воду, электричество, тепло и пр. Этого делать не следует. Есть компьютеры они и считают. В них только нужно подать информацию. Есть универсальный способ подсчета, не требующий преобразований - частота следования импульсов. Есть чувствительные элементы, преобразующие расход ресурса в час-тоту (газ течет - вертушка крутится - вот вам и частота). А дальше счетчик и регистр, микросхемы по рублю - и компьютер считывает по заданной программе. Не требуется линеаризации, в программу закладывается таблица соответствия. Нужна только повторяемость. Такими свойствами обладают датчики Бровина. Они могут преобразовать в частоту ток, напряжение, прохождение лопасти вертушки, температуру. Такая система на порядок дешевле, чем существующие отдельные счетчики на каждый параметр. А дальше заданная программа общедомового компьютера позволит обсчитать все данные и распечатать ваши затраты на любой день и час.
" Преобразование неэлектрических величин, таких как расстояние (мк, мм и м), угол (любой), давление, температура, вес, сила, ускорение, уровень, расход чего-либо в электрические вольты, амперы, герцы. Образцы измерителей такого рода уже разработаны, они дешевле существующих на два порядка и при наличии спроса могут быть произведены и сертифицированы в короткие сроки.
" Поскольку качеры могут управлять транзисторами малой и большой мощности, причем на значительной дистанции, то это годится для робототехники и средств автоматизации. Отличие качера в том, что для связи предыдущего с последующим каскадом не требуется гальванической связи, достаточно трансформаторной связи с малым количеством витков (единицы). Это упрощает всякую схемотехнику.
" Возможность передавать информацию не в плоскости как ныне, а в объеме.
" Возможность создавать новые средства мобильной связи, которые нельзя подслушать.
" Возможность создать экран телевизора на световодах.
" Возможность создать дешевые устройства по восстановлению использованных аккумуля-торов.
" Будут разработаны бесконтактные разъемы, в которых информация будет передаваться трансформаторной связью, без необходимости запитывать приемную цепь как в оптронном случае.
" В геофизике появятся сейсмодатчики, работающие в широком диапазоне частот от 0 до сотен килогерц.
" В медицине самое широкое применение - от стимуляторов нервных окончаний до измерителей давления и скорости движения крови.
" В экологическом мониторинге качеры найдут широкое применение. Анализ состава жидкостей и газов и пр.
По нашему глубокому убеждению, вышеизложенное - это не просто прорывная, а революционная технология в области электроники, которая позволит нашей стране оторваться от японцев и американцев НАВСЕГДА.
Владимир Ильич Бровин
