Мини-чат
Или войти с помощью
64
1
1

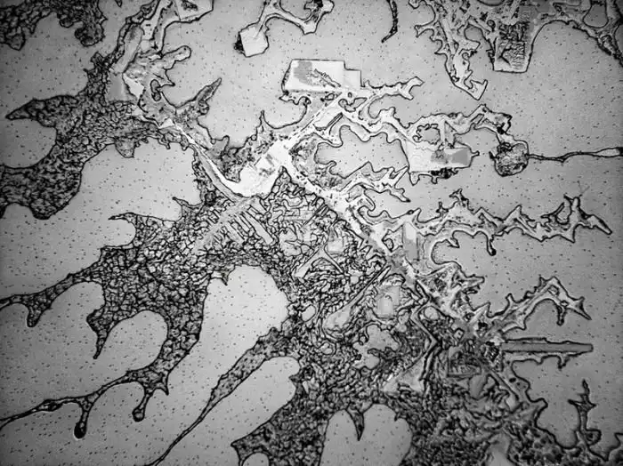
Структура человеческих слёз под электронным микроскопом

Фотографии
все теги

Как оказалось, человеческие слезы имею разный химический состав и структуру, когда человек находится в разных эмоциональных состояниях.

Структура человеческих слёз под электронным микроскопом

Слезы от горя


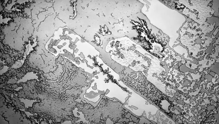
Структура человеческих слёз под электронным микроскопом




Базальные слёзы — выделяются постоянно в небольших количествах,
смачивая роговицу и защищая глаза от пыли и бактерий






Слезы выделяемые при резке лука






Слезы от долгой разлуки






Слезы возможности и надежды






Слезы от смеха


@uCrazy_org
Комментарии11
  1. KGS
    На uCrazy 18 лет 1 месяц
    Это, видимо, опять "английские исследователи" в действии.
  2. GSR
    На uCrazy 15 лет 5 месяцев
    Не обязательно, давно доказанный научный факт о наличии структуры у воды, позваляющей сохранять информацию, которой собственно являются человеческие эмоции.
  3. Sender
    На uCrazy 19 лет 25 дней
    Цитата: GSR
    Не обязательно, давно доказанный научный факт о наличии структуры у воды, позваляющей сохранять информацию, которой собственно являются человеческие эмоции.


    Херню не мели, это просто соль кристаллизовавшаяся в разных условиях, и микроскоп не электронный, а простая оптика.
  4. Loshad
    На uCrazy 15 лет 10 месяцев
    Цитата: Sender
    Цитата: GSR
    Не обязательно, давно доказанный научный факт о наличии структуры у воды, позваляющей сохранять информацию, которой собственно являются человеческие эмоции.


    Херню не мели, это просто соль кристаллизовавшаяся в разных условиях, и микроскоп не электронный, а простая оптика.

    Поддерживаю, снимали СЭМ снимки покрытий после 4 недель в растворе SBF, рисунки были очень похожие, это соль.
  5. vboger
    На uCrazy 12 лет 11 месяцев
    Похоже на ч/б аэрофотосъемку
  6. GSR
    На uCrazy 15 лет 5 месяцев
    Цитата: Sender
    Херню не мели, это просто соль кристаллизовавшаяся в разных условиях, и микроскоп не электронный, а простая оптика.

    Интересно, интересно, все что Вы уважаемый, не знаете, все херня? Я не говорил про тип микроскопа ничего, но очевидно что ни на РЭМ ни на ПЭМ микроскопах такие картинки нельзя получить, это действительно оптика. А вот изменение кристалической структуры воды в результате информационного воздействия имеет место быть. Или у воды не может быть кристаллической структуры? Это смущает??? likeasir

    Цитата: Loshad
    , это соль.
    вот это да, глаз как микроанализатор, а вода не бывает в кристаллическом состоянии??? Товарищи аспиранты и магистранты пытайтесь смотреть на вещи шире!!!
  7. Loshad
    На uCrazy 15 лет 10 месяцев
    Цитата: GSR

    Цитата: Loshad
    , это соль.
    вот это да, глаз как микроанализатор, а вода не бывает в кристаллическом состоянии??? Товарищи аспиранты и магистранты пытайтесь смотреть на вещи шире!!!

    Покажите мне этот факт, я говорю то что вижу. Структура многих похожа на кристаллы соли, в некоторых соли меньше в некоторых больше. Кстати третья картинка очень напоминает кристаллы воды, то есть вопрос, а снимки ли это слез?
  8. Gaul
    На uCrazy 19 лет 9 месяцев
    Ну бред же имхо. Эмоции и состав слезы как связаны?
  9. FirExpl
    На uCrazy 12 лет 1 месяц
    Gaul, ну, возможно количество соли в слезах разное, в зависимости от эмоций) Других связей я увидеть не могу.
  10. Solidglue
    На uCrazy 16 лет 29 дней
    Надо ещё мочу пофотать под микроскопом, с утра конечно. 100 грамм столичной и хватит. 200 для разгона, потом пивко. Денег нет - где боярочник?
  11. DarkPrizrak
    На uCrazy 15 лет 2 месяца
    Цитата: KGS
    Это, видимо, опять "английские исследователи" в действии.


    почитайте книгу масару эмото найдёте много интересного.
Поддерживаются прямые ссылки на изображения, а также ссылки на youtube, rutube, vk video, giphy, coub, tenor, t.me и т.д.

{{PM_data.author}}

{{alertHeader}}