Озеро, в котором не видно воды
Эти удивительные фотографии "летающих лодок" сделаны без каких-либо технических ухищрений. Но сделаны они в одном месте!

Это пресноводное озеро Флатхед в штате Монтана (США). Оно весьма глубокое (глубина достигает 113 метров), но, кода находится в состоянии покоя, его вода настолько прозрачна, что... её не видно!

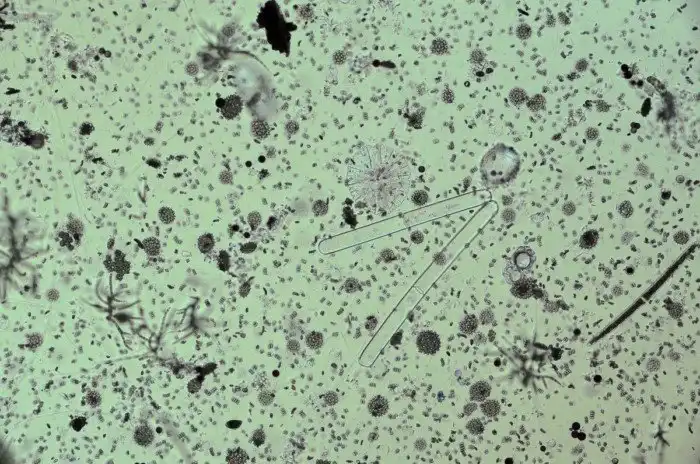
Отчего же возникает этот удивительный эффект? Всё довольно просто. Если мы рассмотрим под микроскопом каплю обычной озёрной воды, выглядеть она будет так:

Увеличим ещё сильнее:

Это живые существа, своего рода "пресноводный планктон"; именно его продукты жизнедеятельности и делают воду мутноватой.
А ледниковая вода в озере Флатхед бедна азотом и фосфором – химическими элементами, необходимыми живым организмам для поддержания нормальной жизнедеятельности. Вот почему она такая прозрачная.

Несмотря на это, в озере водится рыба – неприхотливая и привычная к ледниковой воде форель. На Флатхеде разрешены рыбалка и посещения туристов, но – при одном условии!

Никто, кроме сторожей национального парка (так в США называют заповедники) не имеет права оставаться здесь на ночь. С наступлением сумерек все туристы обязаны покинуть берега озера.
















